1、劣化类型及机理
1.1 蠕变主导
蠕变破坏时的主要特点有以下几个:
1) 产生塑性变形;
2) 管壁出现较多蠕变裂纹;
3) 显微组织变化。
蠕变裂纹具有沿晶扩展的特点。初始的网状碳化物粗化,孔洞继而出现在这些粗化的碳化物与集体交界处。设备的工作温度、所处工况下的应力状态、设备的设计等因素都影响着蠕变损伤的程度。
1.2 脆断主导
一方面,脆化是由于炉管内部的焦化和碳的积聚,使得碳扩散到了金属基体中,从而增加了金属构件中碳的含量。碳的增加使得渗碳部分的比容上升并降低了膨胀系数,造成材料的高温性能的下降和韧性变差;另一方面,脆化与使用过程中在原始铸态结构的枝晶区域中发生的析出有关。这通常会导致更高的强度,但也会导致环境温度下延性的损失,这种损失可能会导致停机期间可能问题。
1.2.1 奥氏体不锈钢的析出相
常用的奥氏体不锈钢是Fe-Cr-Ni系合金,,这类钢具有耐腐蚀性高,高低温性能优良等比较全面而优异的综合机械性能,由于含有相当数量的Cr、Ni使其具有优良的高温机械性能和抗氧化性能,在工业生产中获得广泛的应用。
(1) 碳化物析出
奥氏体不锈钢在高温固溶状态下其内部大部分碳会溶解,在快速冷却条件下,溶入奥氏体中的碳化物会保持在固溶体中。因此,在室温下,奥氏体不锈钢会保持过饱和状态,而不会有碳化物析出。但当合金长期处于较高温度下服役时,过饱和的碳会变得活跃并与某些合金元素形成碳化物析出。
(2) 金属间化合物析出
奥氏体不锈钢长期暴露在1100℉到1700℉时会形成脆的,富铬的金属间化合物。这些金属间化合物包括σ相、χ相和laves(η)相等等多种的金属间化和物,这些相一般很稳定,性质既硬且脆,如果在晶界上呈连续片状大量析出或在晶内呈针状析出会严重影响不锈钢的塑性和韧性。
σ相的出现还可导致钢的抗氧化性能和蠕变强度降低及对晶间腐蚀敏感性。这是因为富铬的σ相形成以后,使固溶体中产生贫铬区而发生不均匀氧化和晶间腐蚀。这与奥氏体在时效中析出碳化物而引起的晶间腐蚀不同。
σ相对奥氏体不锈钢性能的影响主要表现为降低钢的冲击韧性和塑性。断后伸长率、断面收缩率以及冲击功值一般都随着σ相的析出而减小,其减小程度不仅取决于σ相的析出数量,并且也取决于σ相的形态、大小和分布状态等,其形态如果呈现为晶界上连续片状或者晶内针状都会对不锈钢的塑性和韧性造成严重影响。
图1.2 σ相的析出数量对Fe-Ni-Cr系不锈钢冲击韧性的影响
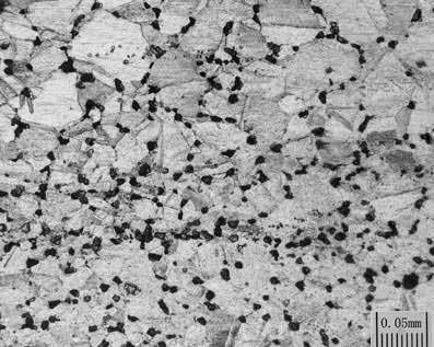
图1.3为该管线长期工作后的的金相组织,可以明显看出有大量黑色针状析出物。母材也有大量块状及长条状析出物。σ相析出(含部分碳化物)脆性析出相在断裂中起到了重要的作用。

图1.3 321不锈钢长期高温服役后的金相组织
1.3 蠕变、脆化联合作用
蠕变和材料的脆化在设备服役期间是同步影响,无法割裂开来的。目前研究人员也开始探究蠕变和渗碳的相互影响。
1.4 热疲劳及热冲击
高温设备的运行通常是周期性的,这种周期性的运转特点也会带来温度和压力的周期性变化,造成设备承受应力的波动,长期发展下去后将导致某些设备的热疲劳损伤。实际上,作用在设备上的应力是非常复杂的,比如在升温和冷却过程中引起的应力变化、由内外壁温差引起的热应力、设备自重和周围约束结构造成的机械应力等。
2. 高温蠕变失效
2.1 金属高温蠕变现象
高温下金属发生与时间相关的缓慢塑性变形行为称为蠕变。由于金属材料有一定的延性,材料不可能不休止的蠕变伸长,在持续的应力作用下,蠕变变形累积到一定程度,材料就会发生断裂。
2.2 高温蠕变机理
在高温情况下,蠕变变形主要有两种物理机制所控制:一者是位错蠕变,另者是扩散。
![]() |
![]() |
![]() |
|
孔洞 楔形裂纹 |
穿晶 沿晶 |
颈缩 |
|
(a)沿晶蠕变断裂 |
(b)以指数定律增长的孔洞 |
(c)动态恢复或再结晶塑断 |
2.3 高温蠕变过程中的微观组织分解
材料在高温下服役不仅会发生蠕变变形,而且微观组织也会发生分解导致材料持久强度降低,蠕变寿命缩短。
2.3.1 铁素体钢的微观组织分解
碳化物在过热环境下长期受热时产生微观结构的渐变,会导致碳钢的抗蠕变性能降低。温度对低碳钢的碳化物组成的影响主要有珠光体球化、铁素体中合金元素贫化和碳化物类型的变化。
2.4 高温蠕变失效特征
高温蠕变失效也叫做长期过热失效。一般由长期的连续轻微过热或者缓慢增加的温度与应力或几个不同时段的过热叠加造成。蠕变损伤一般出现在材料晶界并与拉应力方向成90度。蠕变变形通常很少或不造成壁厚减薄,但会使铁素体钢管道产生明显的蠕变伸长或直径增大。
2.4.1 宏观特征
高温蠕变通常会导致管道受热侧的轴向开裂。整体上管径变粗,但破裂的爆破口并未发生充分的塑性延展,断口也未延展而明显变薄,断口粗糙,有的还在断口上显示出明显的颗粒状,这是沿晶破断的特征。沿着主裂纹方向产生大量二次开裂纹是蠕变损伤的表现形式。
2.4.2 蠕变失效及断裂的金相和断口特征
在等强温度以上的蠕变脆断,在金相上才有特点。此时金相上蠕变的特征主要是沿晶空洞,严重时不但有空洞还会有沿晶微裂纹,甚至有宏观裂纹。珠光体球化将导致钢的蠕变极限的持久强度降低,使得钢在高温服役过程中的蠕变速度加快。
2.5 短期过热失效
短期过热失效,是指少数构件处于异常高温状态发生变形或屈服。异常状况如管内介质不足与过量的温度变化都会导致过热。对于韧性材料的铁素体钢,由于短时超温,材料在失效前会有明显的塑性变形,主要表现形式为金属材料的伸长和壁厚的减薄。对于管道,这种失效形式通常会形成刃口状的断面。如果管道过热温度足够高使铁素体相变转化为奥氏体,那么在断口边缘厚度方向不会出现明显的颈缩现象。管道将继续发生伸长与膨胀,因此我们可以测量到明显的直径增大。因此,应该对该钢材的微观结构进行金相分析,来确认管道在失效前已经发生奥氏体转变。
典型案例:乙烯裂解炉炉管入口管下部焊缝穿孔失效
炉管材料为25Cr35Ni。入口管下接头焊缝取下的试样,从内表面看,除穿孔外,焊缝大部分已出现严重减薄,接近穿透,呈熔融岩状,表面有暗红色的锈蚀层,是氧化特征。
![]() |
![]() |
|
图2.2 炉管入口管下部焊缝穿孔 |
图2.3 局部放大情况,呈凸凹不平的熔岩形貌,有暗红色锈蚀层 |
1 金相分析
图1.3为炉管焊缝处母材的金相,材料为奥氏体,晶界上分布碳化物。HP40炉管为离心铸造,其显微组织为:奥氏体+共晶体(奥氏体+碳化物)。炉管组织正常,晶粒没有明显长大,碳化物析出不明显。说明炉管没有超温。
图2.4 100× 炉管焊缝处母材的金相
2 腐蚀层形态和腐蚀产物能谱分析
图2.5为炉管穿孔部位取样位置。由于最初的腐蚀源已穿孔不复存在,故图中粉色区域可以作为近似的腐蚀原始区域,对该处能谱分析可以判断引起腐蚀起因的因素。绿色区域为焊缝表面的腐蚀情况,蓝色区域为熔融的颗粒状组织,对其取样进行能谱分析和X射线衍射分析。红色区域为流动后的瘤状物,分析表面的腐蚀产物情况。
图2.5 取样位置示意图
图2.6为焊缝表面腐蚀最前沿处的金相和腐蚀层。从图中可以看出,焊缝金相组织正常,没有发生晶界腐蚀现象。腐蚀层较薄,对不同部位能谱检查发现,腐蚀层含有较多的S,Na,V等元素,腐蚀产物中含有大量的氧,说明腐蚀产物主要为氧化物。
图2.6 焊缝剖面腐蚀形貌和腐蚀产物 2000×
图2.7为熔融的颗粒状腐蚀产物能谱分析结果(图3.2中的蓝色区域),腐蚀产物主要为氧化铁,另外还含有S、Na等元素。
图2.7 熔融的颗粒状腐蚀产物能谱分析结果
腐蚀产物中含有S、Na、V元素,从腐蚀层的特征看属于熔融盐导致的热腐蚀。炉过渡段焊缝穿孔的腐蚀特征属于温度较高时的氧化现象,此时腐蚀层为富铬的氧化物,而腐蚀层底部有含硫的氧化铬粒子,腐蚀层与基体交界处出现贫铬带。炉管入口下端焊缝的腐蚀特征属中温热腐蚀特征,腐蚀层与基体交界面凸凹不平,腐蚀层与基体交界处没有贫铬带。
3 腐蚀层表面扫描电镜分析
图2.8为焊缝表面腐蚀物形貌,表面呈现明显的熔盐融化态和氧化特征。图2.9为母材表面的表面腐蚀形貌,熔盐态不明显。从腐蚀表面形貌看,表面没有裂纹。
![]() |
![]() |
|
2.8 400× 焊缝表面腐蚀物形貌 |
图2.9 400× 母材表面腐蚀物形貌 |
腐蚀穿孔原因分析
4.1 热腐蚀
热腐蚀是金属表面上沉积的熔融盐加速金属氧化腐蚀的现象。金属在熔盐中的腐蚀即有化学腐蚀,又有电化学腐蚀。高温是熔盐与固态金属之间进行化学反应的条件,与熔盐接触的基体氧化物不断在熔盐中溶解;固态金属表面的成分不均匀性及熔盐的离子导电则提供了电化学腐蚀的可能性,通过电子传递使基体的金属不断被氧化为金属离子并通过熔盐膜向外扩散。
炉管焊缝部位具备产生热腐蚀的条件
在腐蚀产物物中发现有S、V、Na和硫酸根,而这不是炉管焊缝材料所为;由此,可以得出如下的倾向性意见:炉管中侵入的钠和硫分等构成有问题的硫酸盐,沉积在焊缝部位形成焊缝热腐蚀的前因。
显然,炉管入口管焊缝的穿孔腐蚀满足低温热腐蚀的条件。首先,工作温度满足低温热腐蚀的温度条件;其次,原料油气中含有很多Fe、Ni、Na、V等金属离子,这些离子与S反应容易形成Na2SO4、NiSO4和Fe2(SO4)3,V的存在进一步促进了这种硫酸盐的产生。形成的固体硫酸盐颗粒很容易在焊缝处聚积,在该处孕育产生熔盐腐蚀,腐蚀一旦产生,便呈加速控制趋势,因而出现穿孔。
炉管焊缝部位的穿孔腐蚀形态符合热腐蚀的特征
从腐蚀形态上看,腐蚀形貌为熔盐流动痕迹。熔融的颗粒状物很尖硬,是熔盐包覆的氧化物。从腐蚀层上看没有出现多层腐蚀产物,具有热腐蚀的特征。
炉管焊缝部位的腐蚀产物证实发生了热腐蚀
从腐蚀产物能谱分析中可以看出,腐蚀产物中有Na、S、V元素,还有硫酸盐存在,这是产生硫酸盐腐蚀的最主要证据。
热腐蚀机理
低温热腐蚀发生时,刚开始盐呈固态,以后才变成液态。在孕育期、合金表面形成并保持一层连续而致密的保护性氧化膜,该氧化膜破裂并发生酸碱熔融过程则标志着孕育期的结束和扩展期的开始。在孕育期NiO在固态Na2SO4盐膜下形成,并且通过下列反应逐渐形成Na2SO4-NiSO4固溶体:
NiO+SO3+Na2SO4= Na2SO4 -NiSO4
随着反应的进行,更多的硫酸镍被形成,NiSO4的含量逐渐增加,达到一个临界浓度,此温度下混合盐熔化。此时快速热腐蚀发生。之后,由于SO3渗入,熔盐的酸度增加,发生酸性熔融。在热腐蚀过程中,由于合金中的铬被氧化生成Cr2O3并在硫酸盐中溶解,同时铬可能也与硫反应生成CrS逐渐消耗了合金基体中的铬,结果合金内部的铬向外扩散,在合金中形成了一铬的贫化带。
在酸性熔盐中,Cr2O3稳定性较强,NiO稳定性很差。Na2SO4本身及其与Fe2O3作用生成的SO3导致的合金内硫化造成了Cr的贫化。这样在合金表面就不能形成氧化物层,于是熔盐与合金基体直接接触,腐蚀自然进行得很快。
当沉积物中元素的聚积引起的腐蚀时,由于较薄的沉积盐膜内元素的浓度梯度大,较薄沉积盐产生较快的腐蚀速度。
在合金表面的腐蚀产物有疏松Fe2O3的沉积层。说明氧化物在熔盐中沉积。显示在热腐蚀的稳态发展阶段,既有合金表面致密氧化层的快速成长,又有疏松氧化物在液相共晶硫酸盐中的沉积。
为什么只有加氢尾油为原料的炉管出现焊缝穿孔
只有使用加氢尾油的乙烯裂解炉管焊缝产生穿孔,而使用石脑油和VGO的没有出现失效。为进一步确认是加氢尾油中的Na导致的热腐蚀失效,以下对这几种原料油的硫及其活性进行分析。
加氢尾油中的硫与石脑油、VGO中硫的比较
石脑油,VGO原料中硫化物的主要成分为硫醇和硫醚。而加氢尾油中原料中含有很少的硫化物,为抑制结焦,原料中添加一定量的硫醚,但硫化物的总量小于石脑油中的硫化物含量。
硫醇(RSH)中的硫为活性硫,硫醚中的硫为非活性硫,,但在裂解过程中的热裂解的反应可转变为活性硫。
因此可以看出,加氢尾油中的活性硫成分小于石脑油和VGO中的活性硫。活性硫可以直接与炉管金属反应形成高温硫腐蚀。如果产生高温硫腐蚀,使用石脑油,AGO原料的炉管腐蚀应该比加氢尾油的更严重,但实际中只有加氢尾油为原料的炉管产生腐蚀,这主要是由于在本案例中的石脑油、VGO、加氢尾油中的硫含量都不足以产生高温硫腐蚀,而是由于加氢尾油中的Na金属造成的熔盐腐蚀。以下对高温硫腐蚀的可能性进行分析。