氢损伤导致的各种失效

氢会导致很多金属构件的损伤,使微观结构及组织变化,并引起其性能的下降,导致钢材的开裂、鼓泡或断裂,并降低疲劳寿命,降低蠕变抗力,产生氢化物相,最常见的是导致构件脆性断裂。

1.氢损伤的形式和分类

1.1 按氢的来源分类

将氢脆分成内部氢脆和环境氢脆两种。

内部氢脆是由于在金属材料加工等过程中吸收了氢,在应力与氢的交互作用下所产生的,内部氢脆称为可逆氢脆,也称为慢应变速率脆化或延迟失效;

环境氢脆是金属原来不含氢或含氢很低,而在使用时由于环境中氢的作用而产生的。

1.2 按氢对金属脆化的力学效应和可逆性分类

(1)可逆内氢脆

(2)环境氢脆

(3)反应氢脆

可逆内氢脆和环境氢脆其实就是1.1节的内部氢脆和外部氢脆。反应氢脆是指氢原子发生了化学反应而使金属变脆。比如氢原子本身反应生成氢分子、和金属反应生成氢的化合物、和金属中碳或者杂质反应生成其它稳定的气体。

1.3 按氢与金属相互作用分类

(1) 内氢致开裂 (cracking from precipitation of internal hydrogen)

(2) 氢鼓泡(hydrogen-induced blistering)

(3) 氢脆(hydrogen embrittlement)

(4) 氢腐蚀 (hydrogen attack)

(5) 氢化物致裂(cracking from hydride formation)

除氢脆外,另外四种氢损伤形式都有相变发生(氢鼓包和内氢致开裂是由于氢原子反应生成氢分子团,氢腐蚀是由氢与其他元素生成不溶解的气体,氢化物致裂是由于氢与其他元素反应生成氢化物)。

氢损伤具体形式

内氢致开裂

Cracking from precipitation internal gas hydrogen

厚的材料
高温环境并快速冷却条件

氢鼓包

Hydrogen-induced blistering

室温下低强钢
氢聚积在缺陷处达到一定内压

氢脆

Hydrogen embrittlement 

高强度和严重冷加工的低碳钢(常温) 
需要持续的应力,与冲击致裂纹无关

氢腐蚀

Hydrogen attack

高温高压的钢和铜

氢和基体合金元素发生不可逆的化学反应形成高压气体集聚而非分子氢

氢化物致裂

Cracking from hydride formation

过渡族金属、稀土和合金包括Ti,Tan,Ir,Uranium
通常在应力最高处形成脆性的金属氢化物相


典型案例1:氢腐蚀引起的管道失效案例

事故工况

某化工厂的重油机系统释放出燃油和氢气,在裂解过程中,循环油管(8”)泄漏引起了爆炸事故。发生事故的管道是在重油分解过程中给化学反应器加氢的由碳钢(A53 Gr.B)制成的循环油管。

事故发生时,反应器操作温度为397℃,操作压力为166Kg/cm2G。在失效的四年前,对一个高腐蚀风险的垂直弯头经行了超声波检验(UT),尽管未对管道失效的15M那部分进行直接检验,但是在管道壁厚方向上并无异常。

事故区域简明示意图

事故可能原因

运行过程自动控制功能失效引起的异常操作。

根据分散控制系统(DCS)记录器的操作记录和现场操作记录文件显示,设备是在正常工况下运行的,并且没有任何迹象表明事故会发生。

维修工作期间的火灾

在检修期间,管道周围的某些火源,设备故障或检修时泄漏的气体都可能引起管道周围出现火情,进而在管道内发生爆炸事故。但是,在事故当天并没有检修工作,事故受害者因为要为维修做初步的安排而在事故现场。

管道或者焊接中的缺陷

如果在开始生产时就含有大量的杂质(比如硫,磷,锑),该材料在高温高压下长期下使用有脆性倾向。但是断口分析的结果表明材料本身缺陷的概率很低,该种假设也不可能。另外,如果焊接质量差会引起局部变形,应力集中,可能引起疲劳开裂。但是,因为在该事故中管道总体上为瞬时脆性断裂,所以疲劳断裂并不是事故的主要原因。

氢腐蚀引起的管道裂纹

H2在管道的常规运行过程中并不存在,但在运行初期为了活化催化剂可能存在氢气,在循环泵出问题时也可能引起氢气回流。工作温度(230℃)可能会引起氢蚀:开裂管道内部呈现了脱碳现象。此外,由于氢蚀而产生的甲烷气体还会引起管道的内外表面出现鼓泡。管道由于氢蚀脆化,高温高压下管道内的物质迸出并电气化进而引发火灾。

管道内的氢腐蚀和裂纹

假设氢腐蚀引起裂纹的原因

设备启动后由于有氢气的存在和不规范操作产生了黑色的脱碳层,管道内部结构受到氢腐蚀导致了管道破坏。管道表现为脆性断裂。A53 Gr.B的成分分析表明与氢接触的管道内部发生了明显的脱碳现象。

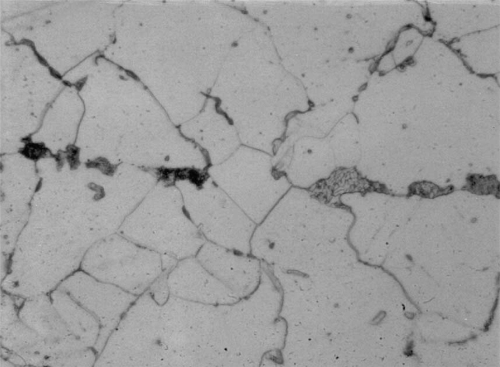
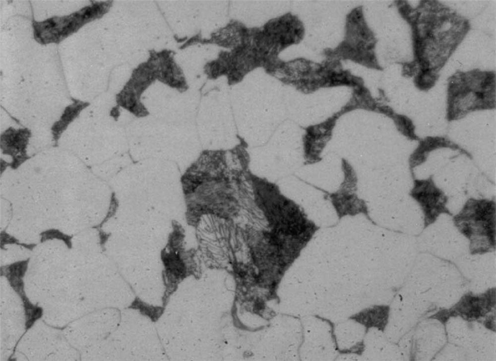
金相分析

根据在光学显微镜下对管道内外壁微观结构的分析,管道内部的Fe3C已经分解,并且内部脱碳现象明显比外部严重。

失效管道的正常显微结构(表面,放大倍数750×)

失效管道的非正常结构域(表面,放大倍数750×)

结论

本案例作为事故起因调查和关于化工厂管道中裂纹引起的爆炸事故的实验性研究结果,得出如下结论:

断裂的起因是氢腐蚀引起的微观裂纹,即当管道由于裂纹而不能承受内压时导致贯穿裂纹。


螺栓氢脆案例

M8×25mm,等级为10.9的螺钉发生了断裂失效,螺钉在工作时候和聚丙烯介质和水接触,该处的温度为50°C左右。

宏观检查

用于紧固的螺钉孔(图中小孔)均匀的沿圆周分布,六根断裂的螺钉位置在挤出机模板上的位置并不是沿圆周均匀分布的,而且断裂位置并不对称。断裂的螺钉受原始物料的污染较严重,断口上附着着一层厚厚的腐蚀产物物。但断口平齐,断口处没有颈缩现象,也没有被拉长的现象。

(a)具体断裂位置

化学成分和硬度测试

失效螺钉材料为45钢。按照GB/T3098.1-2000

——紧固件机械性能:螺钉、螺钉和螺柱——的标准,强度10.9级的螺钉可以使用中碳钢、低碳合金钢,中碳合金钢。

硬度方面,新螺钉和失效的螺钉基本都在10.9级规定的范围。其中失效的SCR螺钉硬度最高,达到HRC39。

金相分析

(b)

(c)

图4.2  螺钉断口附近沿晶裂纹

氢脆开裂失效的可能性

由于断口主要为沿晶脆性裂纹,在已知的制造和操作条件下氢脆最有可能生内部沿晶裂纹的失效。生产过程中会在螺钉表面电镀一层锌,在电镀时会将螺钉接到电源的阴极,镀液中的Zn2+在阴极附近得到电子被还原成会Zn,从而完成电镀过程。但是在电镀的过程中,位于阴极附近的镀液中的H+也会得到电子被还原成H原子,也会附着到连接在阴极上的螺钉上并渗入螺钉的内部,从而为螺钉的氢脆失效提供可能。

电镀原理图

如果电镀后没有立即进行去氢处理,则在螺钉安装后就会产生延迟的氢致开裂。

高强度螺钉对氢脆非常敏感,具有氢脆敏感性。